
시간이 흘러 첫 도킹장이 완성될 쯤이면 반드시 해야 할 일이 있다.

일단 아주 먼 과거에 만든 함선 중 아무 함선이나 스테이션에 도킹시키자.
필자는 주로 전투기를 쓴다.

전투기의 정보를 보면 조종사의 스킬이 맥스가 되어있는 걸 확인할 수 있다.
언젠가 소개했던 모드의 힘으로 시간이 흐르자 만능맨이 되버린 우리의 전투기 파일럿!

이제 이놈에게 말을 걸어주자.
원거리에 있다면 '우클릭-통신'으로 말을 걸 수 있다.

통신이 되면 4를 눌러 다른 곳에서 일하게 시키자.

그러면 이렇게 지도화면이 뜨는데, 스테이션을 '우클릭-선택' 해주자.

그리고 우측 구석의 '직원 배정하기' 에서 '관리자'로 역할을 배정해주자.
관리자는 관리력 스킬의 영향을 받는데, 솔직히 정확하게 뭘 어떻게 영향을 주는진 모른다. 그냥 높으니 좋은거겠지.

아무튼 이렇게 우리의 파일럿이 관리자로 승진을 했으면 그의 빈 자리는 다른 승무원이 대체하게 해주자.

음... 너도 스킬이 빠방하군.

아무튼 이렇게 관리자를 배정해주고 나면 우리의 파일럿이 관리실에 앉아있는 걸 볼 수 있다.
고개를 푹 숙이고 있는게 영 떨떠름하긴 하지만, 믿음과 신뢰의 대머리니 그래도 크게 걱정은 안된다.
관리자를 배치해줘야 스테이션이 일을 한다. 물품 생산이라던지 채광명령이라던지 등등...

관리자를 배치했으니 언젠가 만들고 기억에서 잊혀져버린 우리의 L급 채광선들을 일자리에 투입할 시간

스테이션을 '우클릭-채굴 담당'을 눌러주자.
그러면 저 함선들이 스테이션의 생산에 필요한 자원들을 알아서 캐다 넣는다.

다만 이동을 하는 데 있어서 외곽순곽고속도로를 최우선적으로 이용하는데, 이러면 높은 확률로 이동중에 터진다...
'메인퀘스트 下'편에서 소개한 순간이동을 통해 손수 운전대를 잡고 옮겨주자.
이놈들을 뽑았던 에이틴 빌리언과 그랜드 익스체인지는 게이트 하나로 연결되어있으니 안전하게 운행 가능하다.
그리고 스테이션 앞까지 데려다놓지 않아도 된다. 그냥 에이틴 빌리언의 게이트를 통과해서 그랜드 익스체인지 섹터에만 넣어두면 됨.

아무튼 이렇게 채굴노예들을 옮겨줬으면, 다시한번 '채굴 담당'이 되었는지 확인하자.
채굴담당 배정 여부 확인은 '스테이션 - 소속'을 확장해서 보면 된다.
그리고 구름모양의 채굴 행동이 떴는지도 확인하자. 다 확인됐다면 저 노예들이 부지런히 자원을 캐다가 스테이션에 넣을 것이다.
참고로 스테이션에 '광물' 과 '액화가스' 저장고가 완성되어야 들락날락 거리면서 자원을 넣는다.

아무튼 다시 영겁과도 같은 시간이 흘러
스테이션 짓는다고 날려버렸던 12억이 50억이 되어 돌아올 때즘 되면

제작 모듈들, 즉 함선 건조대들이 완성되었을 것이다.
이 때가 또다른 인물을 스테이션에 배정할 차례

저번에 관리자로는 전투기의 파일럿을 배치시켰으니 이번엔 순항용 페가수스의 파일럿을 배치시킬 계획이다.
뭐 아무나 넣어도 상관없다.

우리의 귀여운 외계인을

관리자 배정때와 같이 '함선 판매상' 으로 넣어주자.
다만 함선판매 스킬은 직접 이렇게 함선판매 일을 시키지 않는 이상 시간이 흘러도 늘지 않는다...
모드는 어디까지나 '자신의 현재 직종'과 연관된 스킬만 늘어나기 때문.

우리의 귀여운 외계인씨! 앞으로 열심히 일하도록!
개인적으로 텔라디 애들을 좋아한다. 원래 필자의 성격이 파충류를 좋아하고 돈을 밝히기 때문인지라...

아무튼 이렇게 함선판매상으로 등록을 하면 말 그대로 함선을 판매한다.
플레이어도 여기서 함선을 구매(정확히는 건조명령) 가능하다.

다만 필요한 함선 청사진도 따로 구매해야 하는게 문제.
이에 대해선 다음 화에서 따로 설명하도록 하겠다.

이제 관리인 배치가 끝났으니 스테이션의 생산 관련해서 조절해줄 몇가지가 있다.
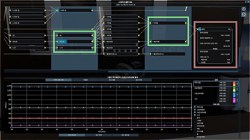
일단 스테이션을 '우클릭-물류 개요'를 해주자.

그리고 스크롤을 우측으로 밀며 '선체 부품'을 찾아주자.
선체 부품을 찾았으면 '클릭-다른 세력과의 거래 제한' 을 걸어주면 된다.
선체 부품은 일단 함선을 만드는데부터 무지막지하게 들어가고, 기타 가공품 생산에도 들어가므로 이리저리 쓸 곳이 많다.
내가 쓰기도 바쁜데 다른 놈들에게까지 팔면 끔찍한 일이 발생하니 나만 쓰게끔 만들자.

그리고 만일 자신이 거주지와 기타 생필품 시설을 만들었다면 사진처럼 '노동력'에 공급되는 생필품들도 제한을 걸어두자.
제약을 걸어야 할 상품은 녹색으로 표시한 것들이다.
의약품, 배급식량, 밀, 향신료, 고기
참고로 전편에서 말하려다 만건데, 여담을 하자면 생필품 테크트리는 텔라디가 가장 짧다.
선라이즈꽃&향신료 = 기름(밥)&의약품
그런고로 거주지와 생필품 테크를 짜려면 텔라디가 가장 편하지만, 문제는 의약품 공장 청사진을 우호도 올리기 가장 지랄맞기로 유명한(?) 재무부 놈들이 팔기 때문.
게다가 필자의 경우 의약품 공장 청사진 수집에 안좋은 기억이 있어서...

뭐 방법은 선체 부품과 동일하다.

일이 끝났다면 스테이션 운영에 필요한 자금도 넣어주자.
'스테이션 우클릭 - 자금 관리'에서 넣어줘도 되지만, 스크린샷처럼 '플레이어 정보 - 계좌 관리' 에서 넣어도 된다.

아무튼 본격적으로 스테이션이 돌아가기 시작하면
전 우주에서 가장 붐비는 스테이션이 된 것을 확인할 수 있다.

아직 함선 판매상의 기술이 똥이고, 함선 청사진을 구매하지 않았기에 돈벌이가 시원찮지만...
애시당초 스테이션은 돈 벌려고 지은게 아니다.
다음화부터 설명할 '대규모 함대 굴리기'를 하기 위해서지....
'게임 > X4 : Foundations' 카테고리의 다른 글
| X4 : Foundation 가이드 17화 / 함대 편성 : 함재기 탑재와 편성관련 (0) | 2021.08.17 |
|---|---|
| X4 : Foundation 가이드 16화 / 함대 편성 : 함대의 구성과 함종 설명 (0) | 2021.08.17 |
| X4 : Foundation 가이드 14화 / 스테이션 운영 준비 : 건설 (0) | 2021.08.17 |
| X4 : Foundation 가이드 13화 / 스테이션 운영 준비 : 모듈 수집 (1) | 2021.08.17 |
| X4 : Foundation 가이드 12화 / 스테이션 운영 준비 : 아르곤/안티고네 관계개선 외 (0) | 2021.08.17 |